欢迎来到上海精工阀门厂有限公司官方网站!
设为首页
|
网站地图
|
RSS订阅
网站首页
关于我们
公司简介
联系我们
合作伙伴
产品中心
上海精工球阀
上海精工闸阀
上海精工减压阀
上海精工止回阀
上海精工蝶阀
上海精工安全阀
新闻资讯
公司新闻
行业新闻
技术中心
技术服务
下载中心
在线留言
联系我们
产品分类
上海精工球阀
上海精工闸阀
上海精工减压阀
上海精工止回阀
上海精工蝶阀
上海精工安全阀
上海精工针型阀
上海精工过滤器
上海精工平衡阀
其他阀门
上海精工截止阀
上海精工电磁阀
上海精工减温减压装置
上海精工调节阀
上海精工切断阀
上海精工电动阀
联系我们
上海精工阀门厂有限公司
电话:4006-567-311
电话:021-51987478
手机:132 6255 6378
地址:上海浦东高科西路2736号
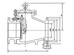
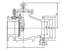
排渣止回阀
您的当前位置:
首 页
>>
产品中心
>>
其他阀门
排渣止回阀
所属分类:
其他阀门
点击次数:
发布日期:
2015/08/20
更多
在线询价
详细介绍
排渣止回阀
相关标签:
其他阀门
,
排渣止回阀价格
,
排渣止回阀批发
上一篇:
美标承插焊式卡套旋塞阀
下一篇:
膨胀聚四氟乙烯带
相关产品:
手动钟式卸灰阀
透镜垫、八角垫、椭圆形垫
真空隔离闸阀
全封闭液动眼镜阀(插板阀)
真空隔离截止阀
相关新闻:
地区产品
上海排渣止回阀
武汉排渣止回阀
浙江排渣止回阀
在线客服
客户服务
扫描二维码
分享